高低籃式過濾器產品概述
高低籃式過濾器是種筒體采用高進低出結構設計,在重力或壓差的作用下,以濾籃為過濾元件,除去石油化工生產過程中液相及氣相物料所含的固體顆粒的法蘭連接高低接管平底籃式過濾器。其直口網式濾籃置于筒體中,介質進出口接管焊接在筒體的壁上,其中入口的位置高于籃口,而出口的位置則低于籃口,待濾液由進液口進入筒體內,經由濾網過濾變為澄清液后從出液口輸出,待濾液中的固體雜質則被阻擋在濾籃內。本產品具有規格齊全,過濾面積大,流體阻力小等特點,特適用于固體雜質含量較多,粘度較大的介質,若將它安裝在泵、閥門、壓縮機的入口或流量計前的管道上及管線的有關部位,既可以延長此類設備或儀表的使用時間,又能保證整個系統正常穩定地運行。
高低籃式過濾器部件材料
| 序號 | 部件名稱 | 材料名稱 | ||||
| 1 | 筒 體 | 20# | 12Cr5Mo | 304 | 316 | 316L |
| 2 | 高低接管 | 20# | 12Cr5Mo | 304 | 316 | 316L |
| 3 | 隔 板 | Q235-B | 12Cr5Mo | 304 | 316 | 316L |
| 4 | 濾 籃 | 304 | 304 | 304 | 316 | 316L |
| 5 | 墊 片 | 聚四氟乙烯、金屬環形墊、金屬纏繞墊(帶內外環) | ||||
| 6 | 法 蘭 | A105 | 12Cr5Mo | 304 | 316 | 316L |
| 7 | 平 蓋 | Q235-B | 12Cr5Mo | 304 | 316 | 316L |
| 8 | 放空絲堵 | 304 | 304 | 304 | 316 | 316L |
| 9 | 排污螺塞 | 304 | 304 | 304 | 316 | 316L |
高低籃式過濾器性能規范
| 公稱壓力PN(MPa) | 1.6 | 2.5 | 4.0 | 2.0 | 5.0 |
| 殼體強度試驗壓力(MPa) | 2.4 | 3.75 | 6.0 | 3.0 | 7.5 |
| 氣密性試驗壓力(MPa) | 1.6 | 2.5 | 4.0 | 2.0 | 5.0 |
| 設計制造 | SH/T 3411-2017、HG/T 21637-2021、JB/T 7538-2016 | ||||
| 法蘭標準 | JB/T 81~82、GB/T 9115~9119、HG/T 20592~20615、SH/T 3406、ASME B16.5等 | ||||
| 檢驗驗收 | SH/T 3411-2017、HG/T 21637-2021、JB/T 7538-2016 | ||||
| 濾網精度 | 2目 ~ 600目 | ||||
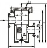
高低籃式過濾器主要尺寸
| 公稱壓力 PN | 公稱直徑 DN | 結構尺寸/mm | ||||
| D1 | L | H1 | H2 | H3 | ||
| 16 | 25 | 89 | 220 | 110 | 70 | 280 |
| 32 | 89 | 220 | 110 | 70 | 285 | |
| 40 | 114 | 280 | 120 | 100 | 340 | |
| 50 | 114 | 280 | 120 | 100 | 340 | |
| 65 | 140 | 330 | 160 | 110 | 400 | |
| 80 | 168 | 340 | 180 | 140 | 460 | |
| 100 | 219 | 420 | 220 | 170 | 550 | |
| 150 | 273 | 500 | 310 | 220 | 720 | |
| 200 | 325 | 560 | 390 | 280 | 900 | |
| 250 | 426 | 660 | 480 | 320 | 1070 | |
| 300 | 478 | 750 | 640 | 400 | 1360 | |
| 表中未列出的其他規格參數,請咨詢汗越閥門技術部! | ||||||
高低籃式過濾器結構圖


