氣動三通換向閥產品概述
氣動三通換向閥主要由Y型三通球閥、氣動執行機構、二位五通電磁閥和限位開關及空氣過濾減壓閥等組成,其換向動作是以壓縮空氣作為動力源,通過電磁閥得電或失電來切換氣源的進氣與出氣從而達到控制氣缸驅動帶柄球體在Y形三通道閥體內正反向回轉120°或135°,實現對管路中介質流動方向的切換。該閥正常工作時,當經過凈化的0.4MPa~0.7MPa壓縮空氣從左氣口輸入,使左右活塞向相反方向移動,兩端氣腔的空氣通過右氣口排出,同時使兩活塞齒條同步帶動輸出軸逆時針方向轉動,從而驅動球體旋轉至通孔在左出料口呈全開狀態的位置,物料從球閥的進口進入,由左出口流出,當需要改變物料流動方向時,只需變換氣缸的進氣方向,即將壓縮空氣從右氣口輸入,使左右活塞向氣缸中心移動,中間氣腔的空氣由左氣口排出,同時使兩活塞齒條同步帶動輸出軸轉動,用來在閥桿上端施加一定的轉矩并傳遞給球體,使它順時針方向旋轉120°或135°,此時進口與右出料口相連通,流向改變。本產品特別適用于氣力物料輸送管道和重力卸料換向,可根據用戶實際要求,配置控制系統,實現遠距離集中控制和微機全自動化操作,提高工作效率。
氣動三通換向閥部件材料
| 序號 | 部件名稱 | 材料名稱 | ||||
| 1 | 閥 蓋 | WCB | CF8 | CF3 | CF8M | CF3M |
| 2 | 閥 體 | WCB | CF8 | CF3 | CF8M | CF3M |
| 3 | 連 接 體 | WCB | CF8 | CF3 | CF8M | CF3M |
| 4 | 閥 座 | R-PTFE、PTFE、TEFLON、NYLON、PPL、PEEK、DEVLON、不銹鋼+硬質合金 | ||||
| 5 | 球 體 | CF8 | CF8 | CF3 | CF8M | CF3M |
| 6 | 閥 桿 | CF8 | CF8 | CF3 | CF8M | CF3M |
| 7 | 下 端 蓋 | WCB | CF8 | CF3 | CF8M | CF3M |
| 8 | 填 料 | GRAPHITE、R-PTFE、PTFE、TEFLON、PCTFE | ||||
| 9 | 填料壓蓋 | WCB | CF8 | CF3 | CF8M | CF3M |
| 10 | 螺 栓 | 35CrMoA | 304 | 304 | 316 | 316 |
| 11 | 螺 母 | 30CrMoA | 304 | 304 | 316 | 316 |
氣動三通換向閥性能規范
| 公稱壓力PN(MPa) | 0.6 | 1.0 | 1.6 | 2.5 | 2.0 |
| 殼體試驗壓力(MPa) | 0.9 | 1.5 | 2.4 | 3.75 | 3.0 |
| 高壓液體密封試驗壓力(MPa) | 0.66 | 1.1 | 1.76 | 2.75 | 2.2 |
| 低壓氣體密封試驗壓力(MPa) | 0.6 | 0.6 | 0.6 | 0.6 | 0.6 |
| 設計制造 | GB/T 12237、GB/T 21385、API 608、ASME B16.34 | ||||
| 結構長度 | 按本廠標準Q/CB的規定或按訂貨合同要求 | ||||
| 連接法蘭 | JB/T 79、GB/T 9113、HG/T 20592、HG/T 20615、SH/T 3406、ASME B16.5等 | ||||
| 檢驗試驗 | GB/T 26480、JB/T 9092、API 598 | ||||
| 可配附件 | 行程限位開關、電磁閥、空氣過濾減壓閥、手輪操作機構等 | ||||
| 氣源壓力 | 0.4MPa ~ 0.7MPa | ||||
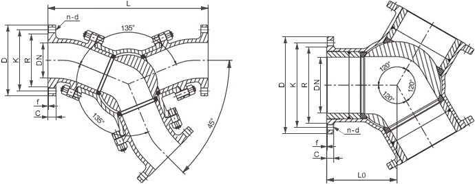
氣動三通換向閥主要尺寸
| 公稱壓力 PN | 公稱通徑 DN | 外形及連接尺寸/mm | ||||||
| L | L0 | D | K | R | C-f | n-d | ||
| 16 | 40 | 310 | 110 | 150 | 110 | 88 | 18-2 | 4-?18 |
| 50 | 340 | 110 | 165 | 125 | 102 | 18-2 | 4-?18 | |
| 65 | 400 | 130 | 185 | 145 | 122 | 18-2 | 8-?18 | |
| 80 | 410 | 150 | 200 | 160 | 138 | 20-2 | 8-?18 | |
| 100 | 460 | 170 | 220 | 180 | 158 | 20-2 | 8-?18 | |
| 125 | 560 | 190 | 250 | 210 | 188 | 22-2 | 8-?18 | |
| 150 | 660 | 210 | 285 | 240 | 212 | 22-2 | 8-?22 | |
| 200 | 800 | 235 | 340 | 295 | 268 | 24-2 | 12-?22 | |
| 250 | 1030 | 290 | 405 | 355 | 320 | 26-2 | 12-?26 | |
| 300 | 1140 | 350 | 460 | 410 | 378 | 28-2 | 12-?26 | |
| 350 | 1257 | — | 520 | 470 | 428 | 30-2 | 16-?26 | |
| 表中未列出的其他規格尺寸,請咨詢汗越閥門技術部! | ||||||||
氣動三通換向閥結構圖

本產品可根據工況需要將兩出口端之間的夾角設計成30°、45°、60°、90°、120°及其他角度等,可配置AT、GT、AW雙作用氣動執行器。如果你需訂購我廠三通球閥系列產品,請注明公稱尺寸、公稱壓力、閥體和內件材料、流道角度、使用溫度、法蘭標準及密封面形式等。

